
产品名称:
SP2338S非隔离降压型LED恒流驱动芯片型号:
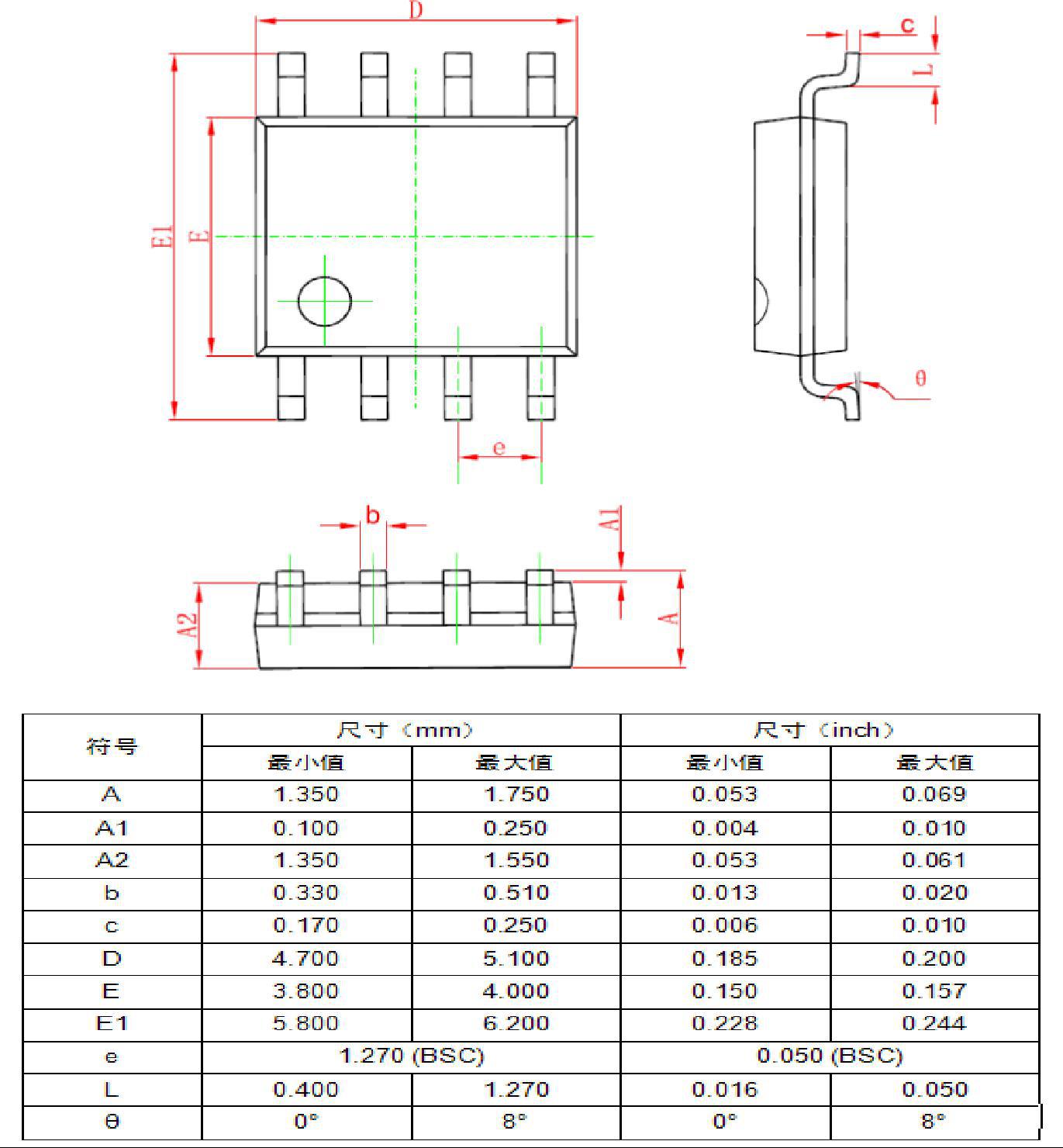
SP2338S
产品摘要:
SP2338S非隔离降压型LED恒流驱动芯片, SP2338S是一款带有源功率因数校正的高精度降压 型LED恒流控制器,适用于85Vac-265Vac全范围输入电压的非隔离降压式LED恒流电源。
- 产品描述
- 产品概述SP2338S是一款带有源功率因数校正的高精度降压型LED恒流控制器,适用于85Vac-265Vac全范围输入电压的非隔离降压式LED恒流电源。SP2338S集成有源功率因数校正电路,可以实现很高的功率因数和很低的总谐波失真。由于工作在电感电流临界连续模式,功率MOS管处于零电流开通状态,开关损耗得以减小,同时电感的利用率也较高。
SP2338S 内部集成600V功率MOSFET,只需要很少的外围器件,即可实现优异的恒流特性.
SP2338S 采用专利的浮地构架,对电感电流进行全周期采样,可实现高精度输出恒流控制,并达到优异的线电压调整率和负载调整率。
SP2338S 采用专利的高压JFET启动和供电电路,使得系统能快速启动,并且减少了外部供电元器件,实现更小的体积。
SP2338S 具有多重保护功能以加强系统可靠性,包括LED开路保护、LED短路保护、芯片供电欠压保护、电流采样电阻开路保护和逐周期限流等。另外,SP2338S具有过热调节功能,在驱动电源过热时减小输出电流,以提高系统的可靠性。主要特点◆ 高压JFET快速启动与供电
◆ 超快LED启动时间(<100mS @85Vac)
◆ 内置600V功率 MOSFET
◆ 有源功率因数校正,高PF值,低THD
◆ 高达95%的系统效率
◆ ±3% LED输出电流精度
◆ 优异的线电压调整率和负载调整率
◆ 电感电流临界连续模式
◆ 超低(300uA)工作电流
◆ LED短路/开路保护
◆ 电流采样电阻开路保护
◆ 逐周期电流限流
◆ 芯片供电欠压保护
◆ 自动重启功能
◆ 过热调节功能能典型应用◆ GU10/E27 LED球泡灯、射灯
◆ LED PAR30、PAR38 灯
◆ LED灯管
◆ 其他LED照明应用电路功能框图
- 其它产品


















